容積式換熱器適用于一般工業及民用建筑的熱水供熱系統,熱媒為蒸汽或高低溫軟化水(設計選用時注明熱媒品種)。其特點有:
1、采用小管徑換熱束,熱媒二級換熱;
2、罐內增設導流、阻流裝置,顯著提高傳熱系數;
3、采用新型換熱管束,多流程,熱媒利用率高、節能;
容積式換熱器適用于一般工業及民用建筑的熱水供熱系統,熱媒為蒸汽或高低溫軟化水(設計選用時注明熱媒品種)。其特點有:
1、采用小管徑換熱束,熱媒二級換熱;
2、罐內增設導流、阻流裝置,顯著提高傳熱系數;
3、采用新型換熱管束,多流程,熱媒利用率高、節能;
設計使用說明:
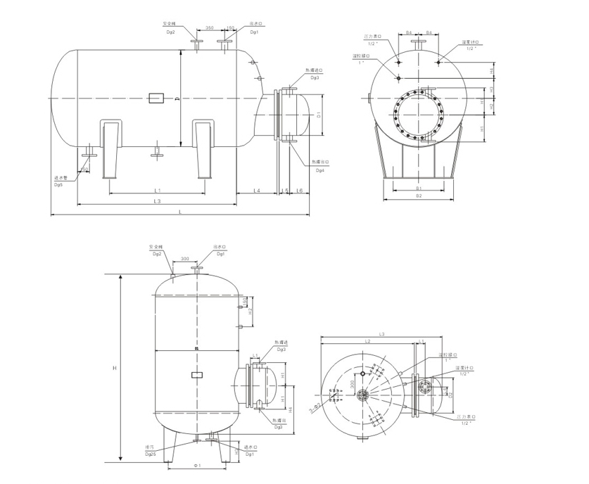
1、被加熱水出口溫度不得高于75℃,實際使用時,為延緩結垢,被加熱水溫度宜控制在50-60℃之間,為使運行更安全,熱媒出水管上須裝設疏水閥。
2、材質:殼體可按用戶要求,選擇不銹鋼型,碳鋼襯不銹鋼型,碳鋼襯銅型;換熱U型管材料分:不銹鋼管、紫銅管。碳鋼殼體外部噴涂調和漆防腐。
3、RV-03產品采用鋼制鞍式支座,一般做高H=300mm的混凝土支墩,按支座安裝圖預留螺栓孔位置;RV-04采用支承式支座,一般做高H=200mm的混凝土支墩,按支座安裝圖預留螺栓孔位置。
4、換熱器應安裝安全裝置。裝設安全閥時,安全閥開啟壓力應不超過設計壓力(訂購安全閥時應申明),安全閥的安裝和使用應符合勞動人事部《壓力容器安全技術監察規程》的規定。
主要用途:
1、高級賓館飯店、機關單位、工廠、學校、生活社區及游泳館的熱水供應;
2、化工、煉油、船舶等工業與民用建筑的工藝熱水供應。

容積式換熱器
產品推薦